3. ВЫБОР ЭЛЕКТРОДВИГАТЕЛЯ. КИНЕМАТИЧЕСКИЙ РАСЧЁТ ПРИВОДА
В общем машиностроении большинство машин приводят в движение от трехфазных асинхронных двигателей с короткозамкнутым ротором. Эта разновидность электродвигателей отличается простотой конструкции (обмотка ротора замыкается в самом двигателе, что позволяет включать их в сеть без дополнительных устройств) и обслуживания, надежностью в эксплуатации и сравнительно низкой стоимостью.
Двигатель является одним из основных элементов машинного агрегата. От типа двигателя, его мощности, частоты вращения и прочих параметров зависят конструктивные и эксплуатационные характеристики рабочей машины и ее привода.
Электродвигатели характеризуются номинальной мощностью Рном, которую они могут отдавать длительное время, не нагреваясь свыше допустимой температуры, и номинальной частотой вращения ротора nном.
Частоту вращения ротора асинхронного двигателя определяет число пар полюсов обмотки статора и его нагрузка.
Двигатели массового применения имеют р = 2; 4; 6; 8, что соответствует синхронным частотам вращения nс = 3000, 1500, 1000 и 750 мин-1 .
Подбор электродвигателя (ЭД) предусматривает определение мощности, частоты вращения.
Мощность, потребную для приводного ЭД, определяют по формуле
, (3.1)
где
;
– к.п.д. одной кинематической пары, указанный в табл. 3.1.
Мощность выбираемого электродвигателя должна быть не меньше требуемой.
Частота вращения вала ЭД выбирается так, чтобы передаточные числа ступеней привода были оптимальны:
;
, (3.2)
где u – средние значения для зубчатых передач равны 2÷6, для червячных – 8÷80; цепных – 3÷6; ременных 2÷4.
Таблица 3.1 Среднее значение к.п.д. элементов привода
| Элемент привода | к.п.д. |
| Зубчатая закрытая передача: | |
| цилиндрическая | 0,97…0,99 |
| коническая | 0,96…0,97 |
| червячная | 0,75…0,90 |
| Ременная передача | 0,94…0,96 |
| Цепная передача | 0,92…0,95 |
| Подшипники качения | 0,98…0,99 |
| Соединительная муфта | 0,98…0,99 |
Следует иметь в виду, что большая частота вращения вала электродвигателя, при одинаковой мощности, вызывает увеличение габаритов редуктора.
Выбрав электродвигатель, уточняют общее передаточное число редуктора и окружают его до стандартного значения (ГОСТ 12299-76), табл. 3.2.
,
(3.3)
Затем uобщ разбивают по ступеням (табл. 3.2) и округляют передаточное число каждой ступени по ГОСТ 12289-76: 1; (1,12); 1,25; (1,40); 1,60; (1,80); 2,00; (2,24); (2,50); (2,80); 3,15; 4,00; (4,50); 5,00; (5,60); 6,30; (7,10); 8,00; (9,00).
Отклонение фактического передаточного числа от стандартного допускается не более 4%.
Затем производится кинематический расчёт привода, результаты которого сводятся в таблицу (табл. 2.3).
Частота вращения валов (об/мин)
,
,
(3.4)
и т.д.
Угловая скорость вращения валов
, (3.5)
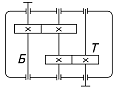
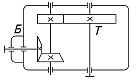
Таблица 3.2
| Схема редуктора | uред | uб | uТ |
![]() | 12,5; (14); 16; (18); 20; (22,4); 25 | ![]() | ![]() |
![]() | ![]() |
Мощность на валу
Вт
Крутящий момент
Нм
Таблица 3.3 Характеристика ступеней привода
| № вала | Кинематические параметры | u | |||
| N, кВт | N, мин-1 | ω ,с-1 | Т, Нм | ||
| I | |||||
| II | |||||
| III и т.д. | |||||
Определение максимально допустимого отклонения частоты вращения приводного вала конвейера
(3.6)
Фактическое передаточное число привода
(3.7)
Еще по теме 3. ВЫБОР ЭЛЕКТРОДВИГАТЕЛЯ. КИНЕМАТИЧЕСКИЙ РАСЧЁТ ПРИВОДА:
- 1.6.1. Обозначения в кинематических схемах приводов
- 1.6.2. Обозначения при кинематическом расчёте
- 1.2 Звенья механизмов, кинематические пары и цепи
- Составление кинематической схемы и определение степени подвижности рычажных механизмов Цель работы
- Привод
- Статья 27.15. Привод Комментарий к статье 27.15
- Глава VIII. Местные выборы в Итальянской Республике. Областные и коммунальные выборы
- Институт наблюдения за выборами является неотъемлемым элементом свободных и демократических выборов.
- § 2. Доставление. Административное задержание. Привод
- Практика йоги приводит к самообладанию
- Как приводить примеры, иллюстрирующие лексические и грамматические явления
- Здесь приводятся инструменты и средства, которых вы так ждали.
- Ленин приводит основные признаки указанного типа государственной власти:
- Ниже приводится материал, написанный в основном еще в советское время.
- Сообщения, которые появились в печати о докторе Цзян Каньчжене из Хабаровска, приводят в удивление даже
- Назначение выборов и регистрация избирателей 2.2.1. Правовые основы назначения выборов
- Исследования показывают, что лишение человека сна в течение двух-трех дней приводит к серьезному стрессу
- Финансирование выборов 2.6.1. Финансирование выборов: понятие и принципы правового регулирования




